Благодарим за ваше сообщение!
Наш менеджер свяжется с вами в ближайшее время.
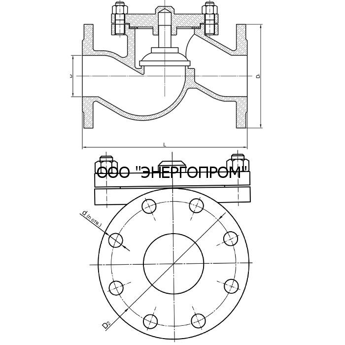
Клапан обратный подъемный типа 16с10нж предназначен для предотвращения обратного потока газообразных и жидких сред в трубопроводах.
Клапан обратный подъемный соответствует требованиям технического регламента «О безопасности магистральных трубопроводов».
Клапаны обратные подъемные устанавливаются на горизонтальных участках трубопровода с направлением потока по стрелке на корпусе.
Изготовление и поставка ТУ3742-002-12005818-2013
Декларация ТР ТС 032/2013 «О безопасности оборудования работающего под избыточным давлением» ТС № RU Д-RU.МЮ62.В.02879 от 17.03.2016
Декларация ТР ТС 010/2011 «О безопасности машин и оборудования» ЕАЭС N RU Д-RU.АД71.В.00271/18 от 28.11.2018
Герметичность затвора по ГОСТ 9544-2015 по требованию заказчика
| Наименование параметра | Значение | ||
| Таблица фигуры | 16с10нж | 16лс10нж | 16нж10нж |
| Номинальный диаметр, Ду | 15; 20; 25; 32; 40; 50; 65; 80; 100; 125; 150; 200 | ||
| Рабочее давление, Ру МПа (кгс/см2) | 1,6(16) | ||
| Присоединение к трубопроводу | Фланцевое по ГОСТ 33259-2015 | ||
|
Рабочая среда |
Вода, пар, жидкие и газообразные нефтепродукты, водогазонефтяные смеси и другие среды нейтральные к материалам основных деталей, скорость коррозии в которых не более 0,2 мм/год | ||
| Климатическое исполнение по ГОСТ 15150–69 | У1 | ХЛ1 | УХЛ1 |
| Диапазон температуры окружающей среды, °С | От минус 40 до
плюс 40 |
От минус 60 до плюс 40 | |
| Диапазон температур рабочей среды, °С | От минус 40 до
плюс 400 |
От минус 60 до плюс 400 | |
| Материал основных деталей затвора* | Сталь20, Сталь
20Л |
Сталь 09Г2С, Сталь
20ГЛ |
Сталь 12Х18Н10Т,
Сталь 12Х18Н9ТЛ |
* Возможно изготовление клапана из сталей других марок по требованиям заказчика
Примечание
Внешний вид и конструкция клапана обратного подъемного могут быть изменены в процессе совершенствования без особого уведомления, без ухудшения потребительских свойств и при условии поставки изделия с заказанными параметрами.
Таблица 1 — Основные габаритные и присоединительные размеры
| Номинальный диаметр,
DN |
Размеры, мм |
n |
||||
|
L |
D |
D1 |
D2 |
d |
||
| 15 | 130 | 12 | 95 | 65 | 14 |
4 |
| 20 | 150 | 18 | 105 | 75 | 14 | |
| 25 | 160 | 25 | 115 | 85 | 14 | |
| 32 | 180 | 31 | 135 | 100 | 14 | |
| 40 | 200 | 38 | 145 | 110 | 18 | |
| 50 | 230 | 48 | 160 | 125 | 18 | |
| 65 | 290 | 66 | 180 | 145 | 18 | |
| 80 | 310 | 78 | 195 | 160 | 18 | |
| 100 | 350 | 96 | 215 | 180 | 18 |
8 |
| 125 | 400 | 121 | 245 | 210 | 18 | |
| 150 | 480 | 146 | 280 | 240 | 22 | |
| 200 | 600 | 202 | 335 | 295 | 22 | 12 |
Каталог клапан обратный 16с10нж ДУ15-ДУ200 РУ16 подъемный фланцевый
Скачать Каталог PDF 16с10нж Ду15-200 Ру16 подъемный фланцевый
Фото Клапанов обратных фланцевых 16с10нж Ду15-200 подъемных стальных
Для получения информации о ценах, наличии или сроках изготовления обращайтесь к менеджерам по телефону (8412) 396967, эл почте EPPNZ@MAIL.RU или через форму обратной связи на сайте.